Редуктор Ц3У 400Н горизонтальный, трёхступенчатый относится к особенным механизмам, которые являются незаменимыми для транспортных средств, так как позволяют увеличивать крутящий момент и при этом уменьшают частоту вращения. Применяются они во всех транспортных средствах, машинах различных модификаций. Редуктор Ц3У 400Н может использоваться как при переменной, так и при постоянной, то есть оптимальной, нагрузке, как одного направления, так и реверсивно. Он незаменим при длительной работе машин и механизмов с незначительными перерывами, при вращении валов в различные стороны, причём частота вращения не должна быть больше 1800 об/мин.
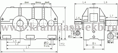
Габаритные и присоединительные размеры
| awб | awпр | awт | L | L1 | L2 | L3 | L4 | L5 | L6 | L7 | B | B1 | B3 | B4 |
|---|---|---|---|---|---|---|---|---|---|---|---|---|---|---|
| 160 | 250 | 400 | 1410 | 1070 | 535 | 280 | 340 | 500 | 110 | 250 | 420 | 330 | 12 | 36 |
| Ø,D | Ø,D1 | Ø,D2 | H | H1 | H2 | H3 | H4 |
|---|---|---|---|---|---|---|---|
| 35 | 40k6 | 140m6 | 835 | 425 | 35 | 43 | 148 |
Основные технические характеристики
| Номинальное передаточное отношение | 31,5 | 40 | 50 | 63 | 80 | 100 | 125 | 160 | 200 |
|---|---|---|---|---|---|---|---|---|---|
|
Номинальный крутящий момент на тихоходном валу, Н·,м, min / max |
15200 / 17000 | ||||||||
| Номинальная передаваемая мощность, кВт, min / max | 52 / 12 | ||||||||
| Допускаемая радиальная консольная нагрузка, приложенная в середине посадочной части вала | выходного, min / max | 31500 / 31500 | |||||||
| входного, min / max | 2500 / 2500 | ||||||||
| Масса, кг, не более | 960 |
Присоединительные размеры концов выходных валов
| a1 | a2 | a3 | a4 | a5 | Ø,a6 | Ø,a7 | a8 | b1 | b2 | b3 | b4 | b5 | Ø,b6 | Ø,b7 | b8 |
|---|---|---|---|---|---|---|---|---|---|---|---|---|---|---|---|
| 110 | 82 | 41 | 10 | 38,9 | 35,9 | 40 | 340 | 250 | 200 | 100 | 32 | 137 | 130 | 140 | 500 |
Присоединительные размеры тихоходного вала для присоединения командоаппарата
| e | Ø,e1 | Ø,e2 | Ø,e3 | Ø,e4 |
|---|---|---|---|---|
| 240 | 140h10 | 75h8 | 55 | M8-7H |
Присоединительные размеры тихоходного вала в виде части зубчатой муфты
| f | Ø,f1 | Ø,f2 | Ø,f3 | f4 | f5 | f6 | m | z |
|---|---|---|---|---|---|---|---|---|
| 335 | 150F7 | 180 | 336 | 65 | 40 | 15 | 8 | 40 |
Оплата заказа для юридических и физических лиц.
1. Оплата по Счету, Счет-договору (для юридических лиц и ИП с расчетным счетом).
1.1. После согласования заказа наш менеджер отправляет на email клиента Счет и Спецификацию или Счет-договор (в зависимости от условий сотрудничества).
1.2. При доставке транспортной компанией (ТК) Продавца «до дверей», ее стоимость выделяется отдельной строкой в Счете/Счет-договоре.
1.3. Доставка «до терминала ТК» будет бесплатной.
1.4. Срок действия Счет-договора 7 календарных дней. По их окончании программа автоматически расформировывает Счет-договор – бронь снимается.
2. Оплата товара.
2.1. Оплата принимается по безналичному расчету путем перевода денежных средств с р/с Покупателя на р/с Продавца.
2.2. При оплате наличными вы дожидаетесь курьера и передаёте ему сумму за товар в рублях. Покупатель подписывает документы, вносит денежные средства и получает чек.
2.3. Датой оплаты считается дата зачисления денежных средств на р/с Продавца.
Подробнее об условиях оплаты читайте в разделе Условия оплаты.
Доставка производится по России и странам СНГ. Предлагаем несколько вариантов отгрузки товара.
1. Доставка транспортной компанией (ТК) или курьерской службой Покупателя.
1.1. Мы сотрудничаем с транспортными компаниями:
- Транспортная компания КИТ.
- Деловые линии.
- ПЭК.
Также доставка может быть осуществлена:
- транспортными компаниями;
- авиа- и ж/д транспортом;
- контейнерными перевозками;
- экспресс-почтой, либо курьерской доставкой;
До транспортной компании доставляем бесплатно.
1.2. Покупатель может самостоятельно заказать услуги ТК или курьера и забрать заказ по адресу г. Екатеринбург, ул. Артинская, 6а.
2. Самовывоз со склада Продавца.
Если товар есть в наличии на складе, то заказ можно забрать на следующий день после получения оплаты или в день оплаты при наличии платежки с отметкой банка о проведении платежа. Если товар «под заказ», приезжать за ним можно после уведомления нашего менеджера.
Важно! Перед приездом или отправкой курьера необходимо связаться с менеджером и уточнить готовность товара к отгрузке.
Услуга доступна по адресу г. Екатеринбург, ул. Артинская, 6а, офис 2, с 9:00 до 17:00.
3. Доставка заказа ТК Продавца «до дверей» Покупателя.
Подробнее об условиях доставки читайте в разделе Условия доставки.
