Лебёдка электрическая ТЭЛ-2 предназначается для осуществления грузоподъёмных операций в строительстве, сборочно-монтажных работах и судоходстве. Конструкция изделия позволяет поднимать тяжёлые предметы, не прикладывая физической силы, средствами механической техники и электроэнергии.
Устройство лебедки ТЭЛ-2 не предусматривает подъём и перемещение людей. Рекомендуемые условия эксплуатации, следующие:
- среда – не взрывоопасная;
- диапазон рабочих температур – от -40 до +40°с;
- позиция – жёсткая фиксация на рабочем месте;
- исполнение по климату – «У» и «Т», второй категории, в соответствии с ГОСТ 15150-69;
- напряжение – 380 В, ток 50 Гц;
- время работы – 10 лет.
Доставка реализуется с помощью железнодорожного и автотранспорта. Производитель даёт гарантии исправной работы оборудования в течение всего гарантийного срока при соблюдении пользователем правил эксплуатации, транспортировки и монтажа изделия.
Купить тяговую лебёдку по выгодной цене Вы можете в компании «КранМаш». Вопросы, касающиеся наличия, доставки или покупки продукции задавайте нашим менеджерам на сайте.
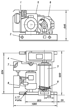
Габаритные размеры:
Состав лебедки:
1 - Установка пусковой аппаратуры;
2 - Рама;
3 - Барабан в сборе;
4 - Муфта;
5 - Кожух;
6 - Редуктор;
7 - Тормоз;
8 - Электродвигатель;
9 - Канат
|
Макс. тяговое усиление на канате, т
|
2 |
|
Канатоемкость барабана, м
|
150 |
|
Скорость навивки каната на 1-м слое, м/с
|
0,25 |
|
Вес лебедки без каната, кг
|
600 |
|
Габариты, мм
|
900×1000×646 |
|
Мощн. электродвигателя при ПВ 40%, кВт
|
11,0 |
|
Редуктор
|
1Ц3У-200 |
|
Передаточное число редуктора
|
100 |
|
Диаметр каната, мм
|
14,0 |
Оплата заказа для юридических и физических лиц.
1. Оплата по Счету, Счет-договору (для юридических лиц и ИП с расчетным счетом).
1.1. После согласования заказа наш менеджер отправляет на email клиента Счет и Спецификацию или Счет-договор (в зависимости от условий сотрудничества).
1.2. При доставке транспортной компанией (ТК) Продавца «до дверей», ее стоимость выделяется отдельной строкой в Счете/Счет-договоре.
1.3. Доставка «до терминала ТК» будет бесплатной.
1.4. Срок действия Счет-договора 7 календарных дней. По их окончании программа автоматически расформировывает Счет-договор – бронь снимается.
2. Оплата товара.
2.1. Оплата принимается по безналичному расчету путем перевода денежных средств с р/с Покупателя на р/с Продавца.
2.2. При оплате наличными вы дожидаетесь курьера и передаёте ему сумму за товар в рублях. Покупатель подписывает документы, вносит денежные средства и получает чек.
2.3. Датой оплаты считается дата зачисления денежных средств на р/с Продавца.
Подробнее об условиях оплаты читайте в разделе Условия оплаты.
Доставка производится по России и странам СНГ. Предлагаем несколько вариантов отгрузки товара.
1. Доставка транспортной компанией (ТК) или курьерской службой Покупателя.
1.1. Мы сотрудничаем с транспортными компаниями:
- Транспортная компания КИТ.
- Деловые линии.
- ПЭК.
Также доставка может быть осуществлена:
- транспортными компаниями;
- авиа- и ж/д транспортом;
- контейнерными перевозками;
- экспресс-почтой, либо курьерской доставкой;
До транспортной компании доставляем бесплатно.
1.2. Покупатель может самостоятельно заказать услуги ТК или курьера и забрать заказ по адресу г. Екатеринбург, ул. Артинская, 6а.
2. Самовывоз со склада Продавца.
Если товар есть в наличии на складе, то заказ можно забрать на следующий день после получения оплаты или в день оплаты при наличии платежки с отметкой банка о проведении платежа. Если товар «под заказ», приезжать за ним можно после уведомления нашего менеджера.
Важно! Перед приездом или отправкой курьера необходимо связаться с менеджером и уточнить готовность товара к отгрузке.
Услуга доступна по адресу г. Екатеринбург, ул. Артинская, 6а, офис 2, с 9:00 до 17:00.
3. Доставка заказа ТК Продавца «до дверей» Покупателя.
Подробнее об условиях доставки читайте в разделе Условия доставки.
